-
应用场景
行业解决方案
-
实时仿真用户案例
Crank-嵌入式GUI设计和开发用户案例
021-64886750
-
实时目标机
Simulink模型库
Demo套件
info@yisuworld.com
熠速一站式国标充电测试
随着电动汽车产业的迅猛发展,充电桩作为产业的核心基础设施之一,其性能、可靠性与功能需求也迅速增长,例如大功率充电、即插即充、预约充电、V2G放电等多种充电功能,这将直接影响用户体验与电网安全。随着市场需求与核心技术的持续演进,电动汽车充电标准也在不断升级,从GB/T 27930-2015一直到GB/T 27930.2-2024,实现了对2015版直流充电标准的全面升级(简称2015+),该标准明确规范了电动汽车大功率直流充电等功能场景,不仅对车辆端提出更高要求,也对充电桩端的性能、协议一致性及功能完备性提出了更严格的测试需求。上海熠速信息技术有限公司(简称熠速)紧跟行业市场需求及发展趋势,依托功能强大的熠速工具链及PB实时仿真系统,始终为行业市场的新需求、新标准的落地与实施提供完整的测试解决方案。熠速的方案能够涵盖车辆与充电桩双侧的全面验证,助力客户的充电设施安全、高效、合规地投入运营。
一站式充电接口测试解决方案:双卡模拟全场景桩端与车端引导信号
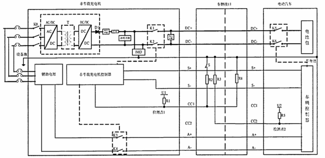
国标2015+与国标2015在控制引导电路上的主要区别在于:国标2015车端通过检测CC2信号检测点2的电压变化来判断物理连接是否完成,桩端通过检测CC1检测点1电压变化来判断物理连接是否完成;
而国标2015+车端通过CC1检测点3的电压的变化来判断物理连接是否完成,桩端通过检测CC1检测点1电压变化来判断物理连接是否完成。同时车辆通过检测点2或检测点3的电压实现唤醒。并且相对于2015控制引导电路增加了S1和S2来表征当前故障状态。

2015充电引导电路

2015+充电引导电路
基于以上区别,熠速对自研硬件测试平台进行了针对性升级。在原有板卡基础上,不仅新增了对CC1信号的精确检测与模拟能力,还扩展了多类电压以及电阻可调参数。该升级同时覆盖车端与桩端模拟能力:在车端模拟中,平台可精准产生和调节各类引导信号,以测试充电桩的识别与响应性能;在桩端模拟中,则能复现多种连接状态和故障工况,用于验证车辆接口的合规性与兼容性。这显著增强了充电桩端与车辆端模拟测试的覆盖范围和多样性,可更全面验证不同车型与充电设备之间的连接兼容性和协议一致性。
|
序号 |
名称 |
功能 |
备注 |
|
1 |
CP信号幅值 |
幅值可调,带开路故障 |
交流充电CP信号 |
|
2 |
CP信号频率 |
频率可调 |
交流充电CP信号 |
|
3 |
CP信号占空比 |
占空比可调 |
交流充电CP信号 |
|
4 |
CP信号接口电压检测 |
检测桩端CP接口处电压 |
交流充电CP信号 |
|
5 |
R1电阻 |
电阻可调,带开路、短路故障 |
交流充电CP电阻 |
|
6 |
RC电阻 |
电阻可调,带开路、短路故障 |
交流充电CC电阻 |
|
7 |
R4电阻 |
电阻可调,带开路、短路故障 |
交流充电CC电阻 |
|
8 |
CC1参考电U1 |
电压可调,带开路故障 |
直流2015/2015+CC1参考电 |
|
9 |
R1 |
电阻可调,带开路、短路故障 |
直流2015/2015+ CC1电阻 |
|
10 |
R2 |
电阻可调,带开路、短路故障 |
直流2015/2015+ CC1电阻 |
|
11 |
R3 |
电阻可调,带开路、短路故障 |
直流2015/2015+ CC2电阻 |
|
12 |
CC1接口电压检测 |
回采CC1处接口电压 |
|
|
13 |
CC2接口电压检测 |
回采CC2处接口电压 |
|
|
14 |
A+输出 |
模拟A+输出,电压可调 |
|
充电引导电路桩端模拟
|
序号 |
名称 |
功能 |
备注 |
|
1 |
CP电压检测 |
检测CP车端电压 |
AC检测点2 |
|
2 |
CP频率检测 |
检测CP车端频率 |
AC检测点2 |
|
3 |
CP占空比检测 |
检测CP车端占空比 |
AC检测点2 |
|
4 |
CC电输出 |
模拟CC参考电,可调 |
AC检测点3 |
|
5 |
CC2电压输出 |
模拟CC2参考电,可调 |
U2模拟输出 |
|
6 |
CC1电压检测 |
检测CC1车端电压 |
2015+检测点3 |
|
7 |
CC2电压检测 |
检测CC2车端电压 |
检测点2 |
|
8 |
R2电阻 |
电阻可调,带开路、短路故障 |
CP车端电阻 |
|
9 |
R3电阻 |
电阻可调,带开路、短路故障 |
CP车端电阻 |
|
10 |
R4电阻 |
电阻可调,带开路、短路故障 |
CC1车端电阻 |
|
11 |
R5电阻 |
电阻可调,带开路、短路故障 |
CC2车端电阻 |
|
12 |
R6电阻 |
电阻可调,带开路、短路故障 |
CC1车端电阻 |
充电引导电路车端模拟
面向GB/T 27930.2-2024的通信协议仿真与测试解决方案
GB/T 27930-2015作为电动汽车非车载传导式充电机与电池管理系统(BMS)之间通信协议的基础版本,明确了充电通信在物理层、数据链路层及应用层的基本要求。其通信结构主要包括充电机与BMS两个节点,通信基于J1939协议实现,流程划分为充电握手、参数配置、充电实施和充电结束四个阶段。
随着GB/T 27930-2023的发布,通信协议在兼容原有框架的基础上实现了系统性升级。
2015+带来了更深刻的变革。它引入了“需确认报文”与“无需确认报文”的概念,支持多帧传输机制,显著提升大数据量通信的效率和可靠性。此外,2015+明确定义了包括充放电控制在内的多应用场景通信流程,并在功能模块设计中大幅扩展,新增如功能协商模块、鉴权模块、预约功能模块、系统自检模块、供电模式控制模块、预充及能量传输模块和服务统计模块等,构建了更为精细、安全且适应智能充电与双向互动(V2G)的通信体系。
熠速基于行业标准的Matlab/Simulink建模环境,结合功能强大且丰富的熠速工具链平台,成功构建了符合GB/T 27930-2023(2015+)标准的完整通信协议仿真模型。该模型覆盖2015和2015+通信协议,包括多帧报文处理及各类功能模块的协同流程。借助熠速工具链的自动化代码生成及硬件在环(HIL)测试能力,该模型可高效部署于仿真系统,用于对车辆BMS和充电桩的实际通信行为进行高覆盖率一致性测试与互操作性验证,为客户提供从模型设计到系统测试的一体化解决方案。

快充通信模型
一站式国标充电模型
熠速基于GB/T 18487.1和GB/T 27930.2标准开发的交流充电桩模型、直流2015充电桩模型、直流2015+充电桩模型、交流充电车辆仿真模型、直流充电2015车辆仿真模型、直流充电2015+车辆仿真模型,实现了对充电过程电气变化和通讯交付的全面仿真。
全面开放的模型,充分考虑测试场景预留了故障注入控件,可在时序流程中任意节点注入超时、停止、数据异常、报文异常、电气状态异常等故障,为用户提供充分灵活的测试环境。

快充充电桩模型
基于国标即开即用的测试用例库
熠速根据国标和以往项目积累了全面覆盖国标测试要求的测试用例库,基于熠速的软硬件平台可快速部署并展开测试,完成交钥匙工程。
- GB/T 40432-2021 电动汽车用传导式车载充电机
- GB/T 24347-2021 电动汽车DC/DC变换器
- GB/T 34657.2 电动汽车传导充电互操作性测试规范第2部分:车辆
- GB/T 34658 电动汽车非车载传导式充电机与电池管理系统之间的通信协议一致性测试
- GB/T 18487.1 电动汽车传导充电系统第1部分:通用要求
- GB/T 18487.4 电动汽车传导充放电系统第4部分:车辆对外放电要求(征求意见稿)
- GB/T 27930 电动汽车非车载传导式充电机与电池管理系统协议之间的通信协议
选择熠速
熠速凭借功能完善的强大工具链与仿真测试平台,始终致力于为电动汽车充电领域提供全面、高效的测试解决方案。面对不断演进的技术标准与多样化的应用场景,熠速工具链展现出高度的灵活性与扩展性,能够精准覆盖从物理信号层到应用协议层、从基础充电功能到V2G等高级应用的各类测试需求。未来,熠速将继续深化技术迭代与服务创新,为产业伙伴提供更可靠、更前沿的一站式测试验证支持,助力充电基础设施安全、互联及智能化发展。
关于熠速
熠速依托国内首批仿真测试专家团队,在电力电子、能源领域自主研发的工业级解决方案以高稳定性、强兼容性著称,并承诺提供终身免费远程技术支持。我们致力于通过全生命周期服务体系赋能客户,推动技术创新与产业升级的深度融合,助力合作伙伴实现可持续价值增长。无论您有项目咨询需求还是技术探讨,熠速都十分期待您的留言、来电!
熠速2017年3月成立于中国上海,是一家持续和快速成长的国家高新技术企业,2022年底获得“专精特新”证书。
熠速围绕嵌入式系统开发和测试,为用户提供硬件在环仿真系统(HIL)、快速控制原型(RCP)、电机控制算法开发、嵌入式数据库等覆盖车辆、航空、航天、航海、芯片、储能、电子电力、军工等领域的全栈式解决方案。
熠速在上海、南京打造双研销中心之外,还在北京、成都、重庆、西安、合肥、广州、深圳、都设有分公司,旨在坚持贯彻“以客户为中心、为客户创造价值”的宗旨,第一时间为您提供优质且专业的服务!
网址:www.yisuworld.com
电话:021-64886750
电子邮件:info@yisuworld.com
-
电力电子(含控制器和被控对象模型)
凭借多年在电力电子行业累积的经验和能力,我们为用户提供控制器模型和被控对象模型,包括标准库以及定制化服务。¥ 0.00立即购买
-
轨道交通(含控制器和被控对象模型)
凭借多年在轨道交通行业累积的经验和能力,我们为用户提供控制器模型和被控对象模型,包括标准库以及定制化服务。¥ 0.00立即购买
-
信号调理系统
在HIL测试中,硬件在环设备起到模拟被测ECU被控对象的作用。需要根据ECU的PIN脚信息,模拟相应信号。这类设备的核心为实时系统,实时系统会提供相应IO通道,处理信号的产生和采集。但这类IO通道一般为标准规格,比如数字通道为TTL规格,模拟通道只是测电压等;这与被测ECU所需的信号规格有较大差异,故需要一套信号调理系统,负责两者之间信号的转接。¥ 0.00立即购买
-
电机控制Demo套件
使用Simulink和Speedgoat转动无刷直流电机。¥ 0.00立即购买
实时目标机
仿真测试应用场景
学习与支持
关注熠速微信公众号
仿真测试解决方案
I/O接口模块
通讯协议模块
FPGA技术
被控部件仿真
Simulink模型库
Demo套件
测量测试解决方案